凯时人生就是搏(中国)官方网站尊龙凯时

  • DESCRIPTION

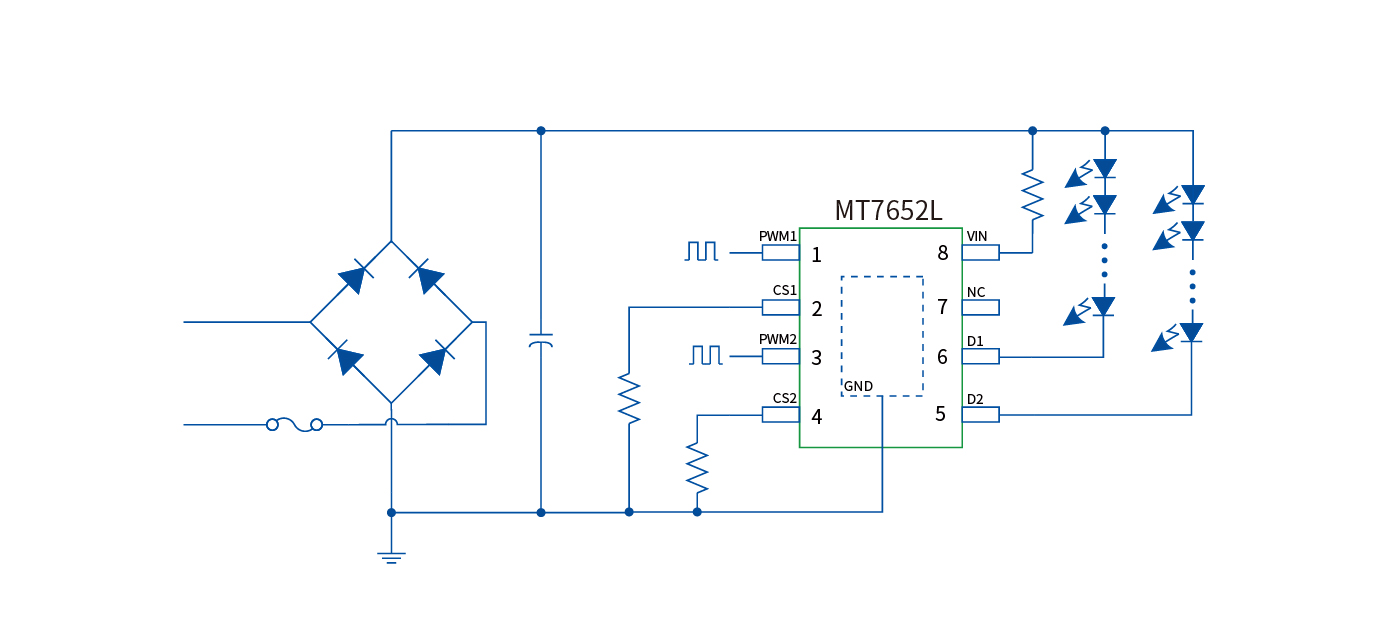
    The MT7652L is a linear dimmable constant current LED driver IC, which can be widely used as the driver of dimmable light sources or lamps.

    MT7652L is implemented with no EMI issues. Besides, no external magnetic component is required, small and low cost LED driving circuit is achieved.

    MT7652L supports PWM dimming, the PWM signal is converted to internal reference voltage to realize smooth and no flicker dimming.

    Embedded with line voltage compensation, the output current will be reduced when the input voltage exceeds the threshold, so as to ensure the input power does not change with the line voltage at the input range of 108Vac~132Vac.

    MT7652L integrates thermal regulation function to balance the output power and system temperature. The output current will be reduced while the junction temperature goes higher than the threshold, system reliability is guaranteed.

  • FEATURES
    • LED driving circuit is very small and low BOM cost

    • Supports PWM dimming, the PWM signal is internally converted to no flicker analog dimming

    • Internal high voltage startup circuit, ultra-fast start-up

    • Integrates 300V high voltage MOSFET

    • Set LED current through external resistor

    • High LED current accuracy: ±5%

    • 1% dimming level and 0.1% dimming resolution

    • Inherent thermal regulation

    • Internal line voltage compensation

    • Suitable for 120Vac linear dimmable application

    • Available in ESOP8 packages

APPLICATIONS
  • Intelligent LED filament lamp

  • Intelligent LED bulb

  • Other intelligent LED lighting application

  • dianlutu1400636pxMT7652L.jpg
尊龙凯时