凯时人生就是搏(中国)官方网站尊龙凯时

  • DESCRIPTION

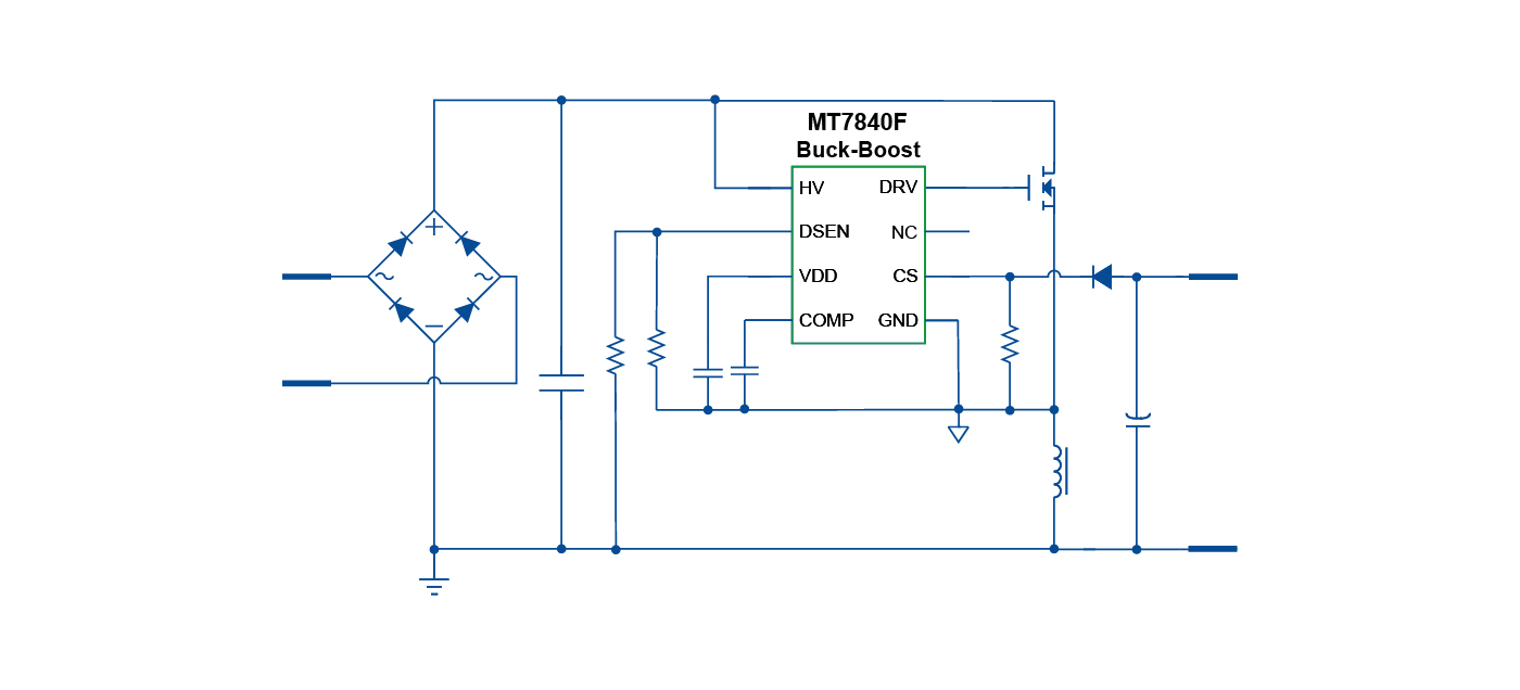
    MT7840F is a high-PF, non-isolated LED driver with high precision output current. The floating-ground, high-side BUCK topology makes full wave detection possible.

    MT7840F works in Quasi-Resonant Mode (QRM), which improves both of efficiency and EMI performance. 

    The system integrates ultra-high voltage power supply circuit, startup resistor and power supply diode are not needed, low external component count and low BOM cost are achieved.

    MT7840F integrates various protections with self-recovery, such as over-voltage protection (OVP), over-current protection (OCP) and over-temperature compensation, etc., to improve reliability.

    The system driving capability is irrelevant to the power supply voltage, which greatly improves the EMI performance.

  • FEATURES
    • Single-stage active power factor correction (PFC > 0.90)

    • Ultra-high voltage power supply without startup resistor and power supply diode

    • High accuracy LED current: ±3%

    • Good Line and Load Regulation (±2%)

    • Operates in QRM

    • Output current foldback at low input voltage

    • Support Buck and Buck/Boost Topology

    • Various protection features

    • Available in SOP8 packages

APPLICATIONS
  • E14/E27/PAR30/PAR38/GU10 LED lamp

  • T8/T10 LED tube

  • Other LED lighting applications

  • qudongxinpiandianyuanqudongxilie1400636pxMT7840F.jpg
尊龙凯时