凯时人生就是搏(中国)官方网站尊龙凯时

  • 产品概述

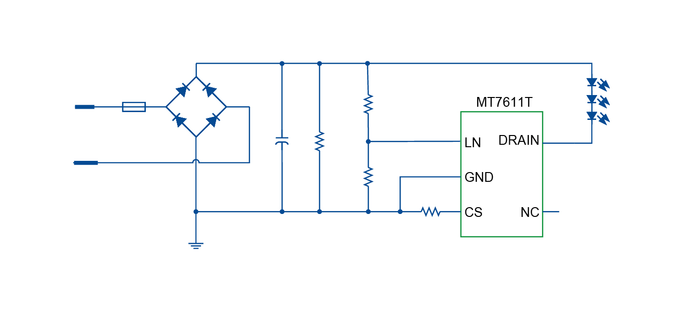
    MT7611T是一款高压单段线性恒流LED驱动芯片,输出电流精度高,无EMI问题,输出电流由外置电阻灵活设置。

    MT7611T内部集成高压功率管和高压供电电路,外围电路简单。系统外部无需电感或变压器等磁性元件即可轻松通过EMI测试,系统结构简单、BOM成本低。

    MT7611T集成线电压补偿引脚,具有良好的线性调整率,能实现输入功率恒定。另外,MT7611T具有过温调节功能,在芯片温度过高时自动降低输出电流,提高了系统的可靠性。

  • 产品特性
    • 外围电路简单,成本低

    • 内置500V功率管

    • LED电流可以外部灵活设置

    • LED输出电流精度:±5%

    • 外置线电压补偿功能,可实现输入功率恒定

    • 应用系统无EMI问题

    • 过温自动调节功能

    • 采用SOT89-5封装

典型应用
  • LED蜡烛灯,LED灯丝灯

  • LED日光灯,LED面板灯

  • LED球泡灯,LED射灯

  • 其他LED照明产品

  • qudongxinpianxianxingqudongxilie1400636pxMT7611T.jpg
尊龙凯时